


Utilidades
Ruedas universales de poliuretano transparente, diseñadas para una instalación rápida y sencilla. Cuentan con soporte de acero negro y están recomendadas para cargas de hasta 40 kg por rueda.
Se aplica en sillas de oficina, sillas gaming, expositores, mobiliario comercial, taburetes y aplicaciones en restauración.
El aro de poliuretano transparente no raya ni mancha el suelo y es apto para todo tipo de superficies, garantizando un desplazamiento suave y silencioso.
Fabricadas con espiga 11x22 mm y sistema giratorio 360º, estas ruedas Gaming cuentan con un diámetro de 75 mm y están elaboradas en poliuretano transparente. Son silenciosas, no rayan el suelo y permiten un desplazamiento suave en todo tipo de superficies.
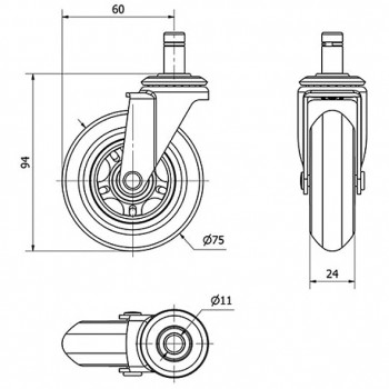
Especificaciones técnicas
-Tipo Soporte: Giratorio.
-Tipo Fijación: Espiga.
-Tipo Freno: Sin Freno.
-Material: Poliuretano.
-Dureza del bandaje: 80º SHORE A.
-Cojinete: Bolas.
-Color: Transparente.
-Diámetro (mm): 75.
-Ancho de banda (mm): 24.
-Medidas Espiga: 22.
-Diámetro agujero (mm): 11.
-Radio de giro (mm): 60.
-Altura total (mm): 94.
-Capacidad de carga (kg): 40.
Normativas
-Fabricada según norma europea EN12528.
Otros productos en Ruedas
|
|
|
|
|
|
|
|
|
|
|
|
|
|
|
|
|
|
Novedades y promociones
|
|
|
|
|
|
|
|
|
|
|
|
|
|
|